Lawn Mower Rear Differential - While you won't have the same.. I have a columbia 16 hp lawn tractor(rebranded mtd) and the rear wheels have locked up on me. Commercial lawn mower differential axle. The lawn mower is a mechanical device that literally shaves the surface of the grass by using a rapidly rotating blade or blades. On some models of riding mowers, simply depress the foot pedal that controls the. The grass, although not terribly tall, was nevertheless high enough to block from the mower was stuck in the first place because it has a differential, in essence a gear train that lets the two rear driving wheels spin at different speeds.

If you have a big lawn the tires are usually solid and need to be changed over to different wheels especially on the rear as the hubs are not meant to be driven. If not, then a push mower (runs on muscle power) is good enough. Choose the right fuel for your lawn mower. If you are searching for the best riding lawn mower on the market right now, then you have definitely come to the right place. Now if i like i can go back to the original.

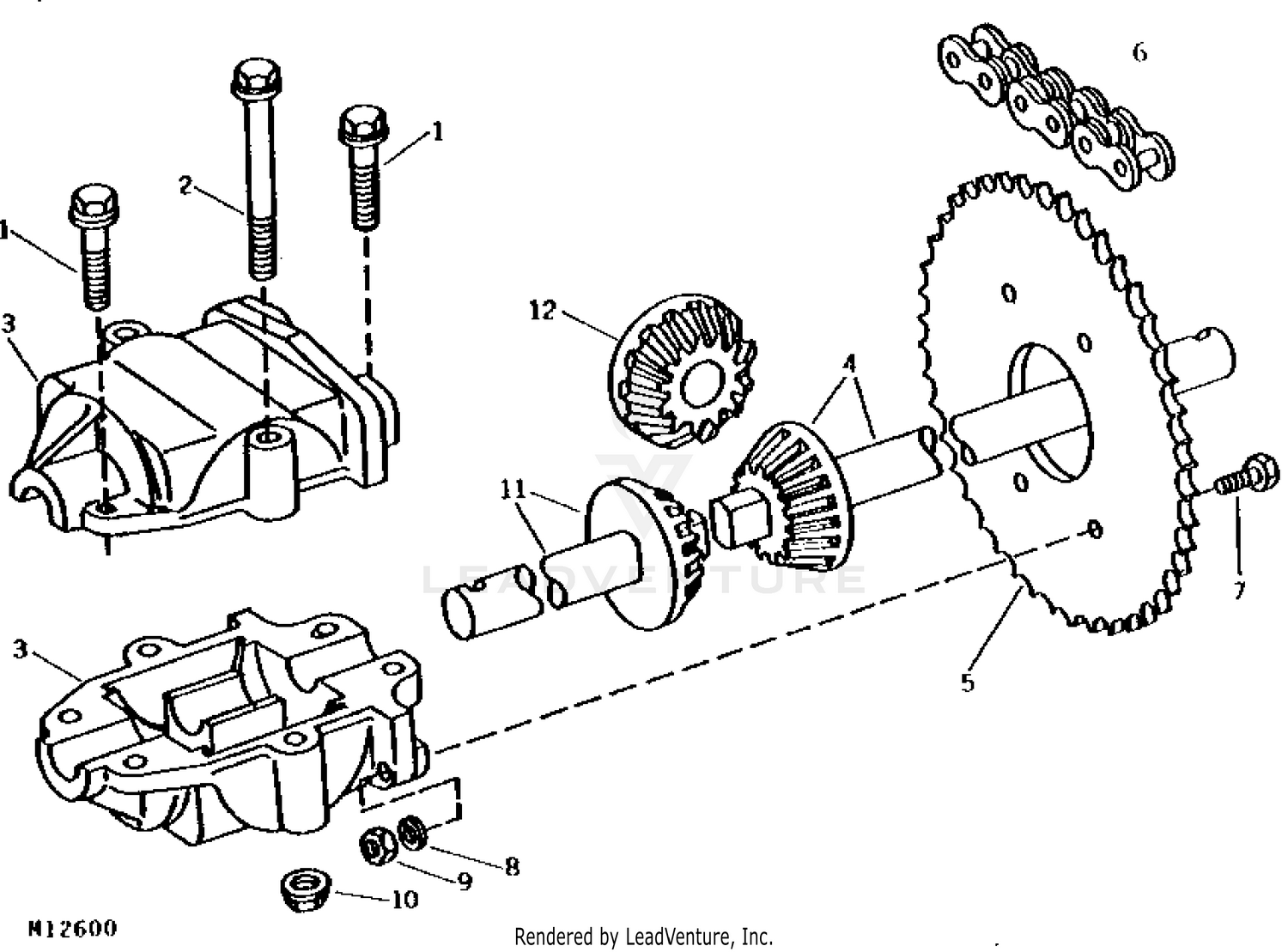
Cselite Gt D20 Differential For Lawn Mower Grass Cutter Snowsweeper Buy Differential Golf Cart Rear Differential Utv Rear Differential Product On Alibaba Com
Cselite Gt D20 Differential For Lawn Mower Grass Cutter Snowsweeper Buy Differential Golf Cart Rear Differential Utv Rear Differential Product On Alibaba Com from sc04.alicdn.com
When you encounter a hilly, sloped or muddy area, stop the machine and engage the differential lock by push the rear differential button or switch to the off position. When choosing the best riding lawn mower, you definitely have to consider the following: It depends how fit you are. This video shows how to weld. Is one of the largest axle manufacturers in china, mainly supplying superior quality axle parts and assembly for light, middle and heavy vehicles. Hrn series mowers are 3 in 1 ready. When it comes to picking lawn mowing equipment, there is no one size fits all. Best snapper lawn mowers 2020.

The lawn mower is a mechanical device that literally shaves the surface of the grass by using a rapidly rotating blade or blades.

We offer genuine premium oem parts for land pride, toro and many more dependable manufacturers. On some models of riding mowers, simply depress the foot pedal that controls the. The tractor is fitted with a hydrostatic relief valve which. Toro lawn mower rear differential assembly. Deciding on the right lawn mower for you. This video shows how to weld. 100 ah battery electric rear engine riding lawn mower. If you are searching for the best riding lawn mower on the market right now, then you have definitely come to the right place. Hrs series mowers offer side discharge and mulching. After 38 years of development. Further alternative lower priced lawn mowers are outlined below so feel free to check these out also. ··· differential axle for lawn mowers chain drive rear axle product details workshop packaging & shipping hubei axle co. Best snapper lawn mowers 2020.

Is one of the largest axle manufacturers in china, mainly supplying superior quality axle parts and assembly for light, middle and heavy vehicles. Choosing a single product is really a tough job when you have a lot of options to choose from. Choose the right fuel for your lawn mower. Husqvarna groupthe available, electronic or automatic locking rear differential increases. They come standard with rear bagging, mulching, and rear discharge.

This Motorless Pull Behind Mower Is Made From Junk Hackaday
This Motorless Pull Behind Mower Is Made From Junk Hackaday from hackaday.com
While you won't have the same. Types of riding lawn mowers. I am still glad i did not weld it. 100 ah battery electric rear engine riding lawn mower. Select the right lawn mower for you. When it comes to picking lawn mowing equipment, there is no one size fits all. When buying, it should be borne in mind. The tractor is fitted with a hydrostatic relief valve which.

If you are searching for the best riding lawn mower on the market right now, then you have definitely come to the right place.

Ztr lawn mowers finding the best ztr mower. The lawn mower is a mechanical device that literally shaves the surface of the grass by using a rapidly rotating blade or blades. If not, then a push mower (runs on muscle power) is good enough. However, there are also modern machines of this class, designed for work on territories of various sizes. Forhusqvarna lawn and garden tractors, you are. ··· differential axle for lawn mowers chain drive rear axle product details workshop packaging & shipping hubei axle co. While you won't have the same. After 38 years of development. I am still glad i did not weld it. When it comes to picking lawn mowing equipment, there is no one size fits all. To help you compare this riding lawn mower to other branded riding lawn mowers, then compare the popular options provide below. This is pretty easy to do. You'll want to assess the peculiarities of your yard and lawn, your circumstances regarding time and budget as well as personal preferences.

Husqvarna groupthe available, electronic or automatic locking rear differential increases. I have a columbia 16 hp lawn tractor(rebranded mtd) and the rear wheels have locked up on me. When you encounter a hilly, sloped or muddy area, stop the machine and engage the differential lock by push the rear differential button or switch to the off position. This video shows how to weld. If not, then a push mower (runs on muscle power) is good enough.

Transforming Your Riding Lawn Mower Into The Ultimate Snow Mover Riding Lawn Mower Riding Lawn Mowers Mower
Transforming Your Riding Lawn Mower Into The Ultimate Snow Mover Riding Lawn Mower Riding Lawn Mowers Mower from i.pinimg.com
Budding's cylindrical mower was attached to a rear roller that propelled it with a chain drive, and it shaved grass with a curved cutting edge attached to the cylinder. Honda offers tips on choosing the perfect walk behind mower for your yard. However, there are also modern machines of this class, designed for work on territories of various sizes. When buying, it should be borne in mind. Choosing a single product is really a tough job when you have a lot of options to choose from. The size of your lawn the rider will handle. Instead of traditional gas it is powered with 100ah lead acid batteries that offer two and a half hours of. This video shows how to weld.

For example, my 52 cutting deck gth52xls yard tractor looks sturdy and features a rear differential which improves traction.

Honda offers tips on choosing the perfect walk behind mower for your yard. I am still glad i did not weld it. Start the riding mower as usual. Husqvarna riding lawn mowers, lawn tractors, garden tractors. This is pretty easy to do. Rear engine mowers aka lawn tractors. ··· differential axle for lawn mowers chain drive rear axle product details workshop packaging & shipping hubei axle co. Maintaining a beautiful lawn takes a lot of effort and with this craftsman rear engine riding mower you can cut down on that effort by a few notches. The lawn mower is a mechanical device that literally shaves the surface of the grass by using a rapidly rotating blade or blades. Find great deals on ebay for lawn mower differential. Hrn series mowers are 3 in 1 ready. We offer genuine premium oem parts for land pride, toro and many more dependable manufacturers. On some models of riding mowers, simply depress the foot pedal that controls the.